Low Power 300-600 MHz programmable PLL

Product No: WEAPLL400M22Download Datasheet

  • Applications:Low Power Applications, Mobile Applications
  • Maturity:GDS ready
  • Foundry:GF
  • Geometry (nm):22nm
  • Process Node:22FDX

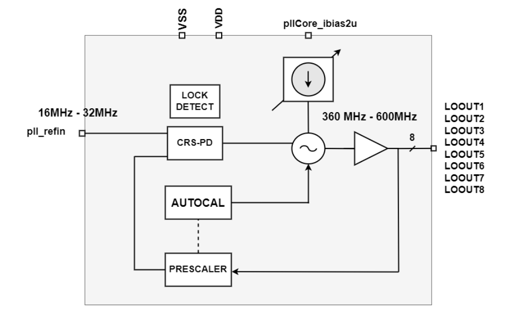
The WEAPLL400M22 is a low power integer PLL operating at a single 0.8 V power supply. This PLL has a wide programmable frequency range operation operating from 300 MHz up to 600 MHz. The VCO outputs are coming into 8 cascaded phases. The PLL needs a sourcing current of 2 uA in order to operate. In the PLL logic, scan chain has been implemented for complete IP testability’.

Key Features
  • Layout Area: 460 um X 290 um
  • Low Power PLL
  • PN (SSB): -80 dBc/Hz at Δf = 1 MHz
  • Reference input: 16 MHz to 50 MHz
  • Power Dissipation: 1.5 mW
  • Output frequency range: 360 MHz to 600 MHz
  • Lock time: < 50 us
  • Ring-VCOs with 128 Bands
  • Automatic VCO/Band Selection System
5G